Геотермальная установка
Ее принцип работы схож с гидротермальным вариантом. Разница заключается в том, что используется тепло земли, а не воды.
Особенности оборудования
Укладка внешнего контура может осуществляться как вертикально, так и горизонтально. Вертикальное расположение обусловлено рядом сложностей в процессе монтажа. Для труб необходимо бурить скважины на большую глубину. Но с горизонтальной укладкой связаны два отрицательных момента:
- необходима большая площадь частного участка для размещения контура;
- невозможность посадки растений, потому что коллектор будет охлаждать их корни.
Забор тепла в обоих случаях осуществляется непосредственно из почвы поблизости частного строения. Отвечающий за перекачку теплоносителя геотермальный насос располагают в самом доме. Шахта с теплообменником должна располагаться в непосредственной близости к строению.
Достоинства использования тепла земли
Данная система имеет следующие преимущества:
- тепловая энергия земли является неисчерпаемым источником энергии;
- автономная работа системы;
- абсолютная пожаробезопасность, отсутствует вероятность возгорания;
- минимальный расход электроэнергии;
- нет необходимости в доставке и хранении топлива;
- длительный срок эксплуатации.
Опубликовано 02.06.2020 Обновлено 13.06.2020 Пользователем admin
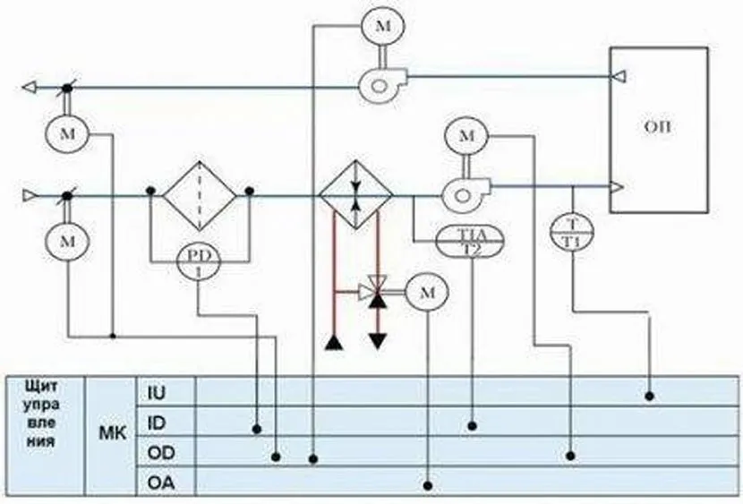
Щиты автоматизации системы кондиционирования
Щиты автоматизации являются средством, предназначенным для управления системой кондиционирования и вентиляции. Основным элементом щита управления является микропроцессорный контроллер. Контроллеры систем автоматики, выпускаются свободно программируемыми, что позволяет их использовать в системах разного масштаба и назначения.
При подключении датчиков к щиту автоматизации системы кондиционирования учитывают тип сигнала, передаваемого преобразователем – аналоговый, дискретный или пороговый. Модули расширения, управляющие приводами устройств, выбирают с учетом вида управляющего сигнала и протокола управления.
После программирования контроллер выводит систему на заданные параметры и временной цикл работы, далее система может функционировать, в полностью автоматическом режиме осуществляется:
- Анализ полученных от датчиков показаний, обработка данных и внесение в работу оборудования корректировок для поддержания заданных параметров среды внутри в помещении;
- Вывод информации о системе опратору;
- Слежение за работой и состоянием оборудования кондиционирования с выводом информации на индикационные табло;
- Защиты оборудования от короткого замыкания, перегрева, избегания неправильных режимов работы, и т.п.;
- Контроль своевременной замены фильтров и прохождения техобслуживания.
что делает и из чего состоит?

Основные компоненты вентиляционной системы
Создание данной системы должно быть заложено в проект дома. Во-первых, необходимо создать шахты-воздуховоды. Во-вторых, определить место (подвал или чердак в лучшем случае) для размещения оборудования. Если этого не сделано, то придется немного испортить внешнюю отделку.
В состав такой системы входит:
- компрессор для принудительной вытяжки или нагнетания воздуха. Наилучшими считаются масляные модели;
- очистительная установка для уничтожения примесей в воздухе. Это особенно актуально для жителей больших городов, где за окном всегда смог. Можно купить очиститель воздуха в интернет магазине;
- блок кондиционирования воздуха, отвечающий за его нагрев или охлаждение, а также контроль влажности;
- набор датчиков, определяющих температуру, давление и влажность воздуха в каждой комнате, а также улавливающих сильное задымление, протечку газа или пожар;
- коммутационный узел для связи всех компонентов в единое целое и настройки автоматической работы. Хорошо, если все оборудование можно будет соединить по радиосвязи.
Особенности работы умной вентиляции
Перед вентиляционной системой, ставится несколько задач:
- Обеспечение комфортного климата в каждом отдельно взятом помещении.
- Правильное реагирование в экстренных ситуациях.
- Экономия ресурсов.
Первая задача подразумевает, что температура и влажность воздуха для каждой комнаты может быть различной. Например, в ванной, бассейне воздух должен быть суше, чем в других комнатах. В спальне ночью должна поддерживаться прохладная атмосфера с постоянным притоком свежего воздуха.

Последняя задача необходима для контроля одновременно обогрева и охлаждения помещения. Если кондиционер работает на охлаждение помещения, то подогрев может вестись только для полов, делая их теплыми.
Еще одна полезная функция – настройка системы во время ухода. Когда никого нет дома, система переходит в режим ожидания. Но к моменту возвращения хозяев воздух снова подогревается/охлаждается и очищается. Для такого контроля можно использовать мобильную связь, Интернет или выставить таймер.
От данной системы зависит комфорт человека, поэтому ей не стоит пренебрегать при организации Умного дома, устанавливая его в отдельном доме, кафе, ресторане или другом заведении.
Управление вентиляцией в Умном Доме
Вентиляция — это система воздухообмена между помещением и улицей. Она делает воздух свежим, то есть, главным образом, удаляет углекислый газ и нагнетает кислород. В самом простом варианте это приточный вентилятор, который гонит воздух в помещение с улицы. В более продвинутом варианте есть ещё вентилятор, который вытягивает воздух. Тогда грех не воспользоваться возможностью нагревать входящий воздух за счёт уже нагретого выходящего, добавляется рекуператор. А поскольку он не позволяет зимой нагреть входящий воздух до комнатной температуры, добавляется нагреватель-калорифер. Или, наоборот, кондиционер.
В такой системе мы можем управлять вентиляторами и калорифером с контроллера через релейные выходы или диммеры для регулировки скорости потока. Можно поставить в воздуховод датчик температуры и управлять канальным нагревателем. И это будет очень удобно, поскольку мы можем просто задать температуру воздуха в комнате, а контроллер будет управлять тёплым полом, радиатором, кондиционером и вентиляцией так, чтобы эту температуру поддерживать.
В сценарий «ушёл из дома» (при постановке на охрану) мы можем добавить функцию отключения вентиляции. Можно включать вентиляцию, когда в помещении включен хотя бы один источник света либо срабатывает датчик движения.
Самый продвинутый способ управления — по датчику углекислого газа. На рынке множество датчиков с аналоговым выходом 0-10 вольт в зависимости от содержания углекислого газа в воздухе. Мы можем задать уровень газа, при котором вентиляция включается. Если в комнате никого нет, то и вентиляция не работает, чем больше человек перерабатывают кислород в углекислый газ, тем с большей скоростью работают вентиляторы.
При большом количестве помещений можно поставить заслонки с сервоприводами в определённых местах воздуховодов, чтобы отсекать ненужные помещения от воздухообмена.
Чем сложнее система, тем сложнее будет и алгоритм, по которому контроллер будет управлять ею. С какого-то уровня сложности разумнее поставить на вентиляцию отдельный промышленный контроллер, управляющий только ею, поскольку вентиляция может работать и без вмешательства человека, обеспечивая необходимое качество воздуха в помещении.
6,863 просмотров всего, 81 просмотров сегодня
Технология системы отопления в умном доме
Система отопления частного дома имеет преимущество — возможность выставить соответствующие параметры удаленно, с функцией дистанционного управления. Не нужно находиться в апартаментах, достаточно нажать несколько кнопок.


В продаже имеются готовые беспроводные системы со встроенной возможностью управления при помощи голоса. При желании такую систему можно собрать самостоятельно. Для полноценной работы системы, необходимо организовать общую сеть механизмов.

Это позволит наглядно посмотреть какие детали потребуются. В зависимости от индивидуальных отличий контроллера и отопительной системы, реле могут подключаться к разным компонентам.

Основная схема управления климатом и котлом в умном загородном доме будет зависеть от того, каким образом формируется сеть из теплообменников, которые подключаются к блоку. Также важен функционал датчика управления.

К нему подключают и остальные системы, которые впоследствии будут проверяться при помощи «Умного дома».
Задачи автоматики для вентиляции зданий

Сервопривод куплен наа Aliexpress за 2 usdИсточник youtube.com
Сегодня на любом современном предприятии есть множество приборов и узлов для управления приточной вентиляцией и набор их функций порой не просто помогает, но даже может спасать здоровье и человеческие жизни. ПУ модуля ШУПВВ или ЩУВ оснащаются элементами электронного интеллекта для следующих действий:
- постоянное поддержание микроклимата помещения в заданном режиме (температура, влажность, загазованность);
- возможность дистанционного управления тем или иным блоком (запуск/блокировка, смена режима) удаленно (оператором при помощи ПУ);
- автоматически переход оборудования на другой режим при смене сезона (зима – лето);
- контроль всех фильтров на уровень загрязнение и автоматическая подача сигнала о необходимости их очистки/замены;
- автоматическое управление приточной вентиляцией при помощи заслонок;
- блокировка притока воздуха при срабатывании пожарных датчиков безопасности;
- отключение электропитания при возникновении скачков напряжения.
Автоматизация систем вентиляции и кондиционирования.
Разновидности ЩУВ и ШУПВВ

Сборка щитов должна обеспечивать полную видимость каждого прибора и максимально быстрый доступИсточник oboiman.ru
Современный рынок электрооборудования предлагает широкий выбор самых разных ЩУВ и ШУПВВ, классифицируя их по размерам и по категориям. Все модификации можно разделить, как минимум, на четыре пункта:
- Оборудование для проветривания и удаления задымленности в помещениях. Такой климат-контроль нужен на производстве, например, для обустройства рабочего места сварщика или в кузне.
- ЩУ, контролирующие запуск, остановку и частоту вращения (мощность) систем вентиляции. Как правило, устройства такого типа имеют обширный функционал и могут устанавливаться как в подвесных, так и напольных шкафах управления. Возможна работа с фреонными установками, водяными калориферами и управление приточной вентиляцией.
- ЩУ электроснабжением приточно-вытяжной вентиляции. Сюда включается рекуператор для поддержания заданной температуры входящих и выходящих газовых потоков. Существуют также модификации, на основе гликоля (CₙH₂ₙ(OH)₂), где в системе теплоснабжения применяется циркуляция незамерзающих жидкостей типа антифриза. Сюда также входит циркуляционный насос и автоблокировка от неконтролируемых температурных перепадов.
- Модель с использованием обычного рекуператора рассматривается, как ЩУ приточной вентиляцией. Его легко перевести в любой режим. Сам рекуператор здесь выполнен в виде оцинкованного стального куба (квадратного или прямоугольного) с четырьмя патрубками – по два с каждой стороны. К ним подсоединяются металлические или пластиковые воздуховоды.
Рекомендации по сборке ЩУВ и ШУПВВ

Монтажом и тестированием ЩУВ должны заниматься специалистыИсточник ivctl.ru
В любом случае все работы по сборке и установке ЩУВ и ШУПВВ должны производится квалифицированными специалистами с соблюдением ТУ 3431-001-67762877-2013 и ТУ 4371-001-67762877-2016. Самостоятельный монтаж и сборка устройств управления категорически запрещена. Корпусы щитов или шкафов тоже нельзя изготавливать по собственному усмотрению – их заказывают в соответствии с предполагаемым оборудованием. В тех случаях, когда не хватает каких-то проводов, креплений или тумблеров (такое часто случается) их замена должна в точности соответствовать заданным техническим характеристикам.

Комплект элементов ЩУВ сопровождается схемойИсточник oboiman.ru
К комплектации всех ЩУВ и ШУПВВ заводом-изготовителем всегда прилагается монтажная схема, которой будет руководствоваться специалист при сборке. Но её сохраняют на предприятии на случай необходимости проведения каких-либо ремонтных работ.
Щит автоматики поддержание постоянного расхода воздуха.
Как работает умный очиститель воздуха
Чаще всего встречаются на российском рынке очистители протяжного типа. Они предусматривают удаление загрязнителей с помощью системы из нескольких фильтров. Принцип работы прибора заключается в том, чтобы забранный из помещения воздух прошёл последовательно через каждый из них.
Качество очистки будет напрямую зависеть от типа установленных фильтрующих элементов. Чаще всего устанавливаются следующие модификации:
- сетчатый,
- НЕРА,
- фотокаталитический фильтр,
- угольный фильтр.
Принцип работы умных очистителей
При выборе модели с функцией ионизации воздуха принцип работы устройства будет следующим:
- воздух нагнетается при помощи вентилятора внутрь прибора;
- в корпусе создаётся направленное электрическое поле между металлическим фильтрующим элементом и ионизирующими нитями;
- на фильтре формируются ионные токи, за счёт которых воздух движется внутри корпуса;
- частицы пыли и других загрязнителей под действием электростатических сил притягиваются к металлическому фильтру;
- происходит очистка и ионизация.
Как действует на человека ионизированный воздух
Для удаления бактерий оборудование может оснащаться ультрафиолетовыми лампами, встроенными внутри корпуса. При наличии функции увлажнения дополнительно устанавливается целлюлозный фильтр, который наполовину погружённый в резервуар с водой. При прохождении через него воздуха происходит его «холодное» увлажнение.
Какие бывают очистители
Среди представленных на рынке моделей умных очистителей можно выделить следующие группы оборудования:
- Очистители-увлажнители, повышающие влажность воздуха благодаря его прохождению через увлажнённый тканевый фильтр.
- Увлажнитель-ионизатор. Он дополнительно обогащает воздух ионами кислорода. В результате удаётся добиться фактически природных показателей. Испарение воды может быть «холодным» или происходить под действием ультразвука. Во втором случае подача воды происходит на мембрану, под действием пульсации которой образуется туман, который подаётся в воздух вентилятором.
- Мойка. Оборудование успешно выполняет функции очистки и увлажнения. Но такие модели не смогут удерживать частицы меньше 1 мкм. Принцип действия моек заключается в том, что загрязнённые массы подаются на вращающийся барабан, увлажняются, частицы пыли, пуха, шерсти тяжелеют под действием влаги и смываются в специальный поддон с вала. После этого воздух подаётся в помещение.
Какой очиститель выбрать
В зависимости от поставленных задач при выборе умного очистителя воздуха стоит руководствоваться следующими критериями выбора:
Методы очистки. Оптимальным решением в любом случае станет многоступенчатое удаление загрязняющих частиц
Рекомендуется обращать внимание на наличие тканевого НЕРА-фильтра, который способен улавливать частицы размером от 0,3 мкм. Именно он удаляет бытовую пыль, частицы шерсти животных, пыльцу растений
Угольные фильтры помогают избавиться от неприятных запахов, фотокаталитические – от сторонних органических соединений.
Схема многоступенчатой очистки воздухаПринцип работы фотокаталитического элемента
- Производительность оборудования. При выборе рекомендуется для комнаты площадью 50 м2 выбирать модель производительностью 125 м3/ч. Для аллергиков этот показатель нужно утроить (в данном случае он составит 375 м3/ч).
- Уровень шума. Работает принцип: чем меньше, тем лучше. Выбор зависит от места установки прибора. Если для офиса этот показатель не особенно важен, то для дома становится одним из основных критериев выбора. Считается комфортным уровень шума в ночное время 30 дБ.
- Функциональность. Производители предлагают набор автоматических режимов и функций. Предлагается:
- ароматизация (конструкцией предусмотрено наличие специального картриджа для заливки эфирных масел), но стоит учитывать, что оснащение очистителя угольным фильтром делает функцию бесполезной;
- таймер для программирования оборудования;
- ночной режим, позволяющий снизить уровень шума;
- индикация загрязнения фильтров – удобное решение, которое поможет пользователям своевременно обслуживать прибор;
- подмешивание воздуха с улицы (в помещение он будет поступать уже очищенным).
- Способ установки. Выпускаются настенные, напольные и настольные модели. Этот параметр зависит от мощности прибора и его веса. Но если в семье есть маленькие дети или домашние животные, стоит отказаться от идеи устанавливать оборудование на столе.
Как обеспечить контроль отопления в системе «Умный дом»?
Если пытаться реализовать систему отопления «умный дом» своими руками, положительных эффектов вполне можно добиться даже не объединяя системы отопления под общим контролем компьютера.
На обогревающие элементы и узлы отопления можно установить контроллеры, связанные с температурными датчиками внутри помещения. После этого обогревательным приборам можно будет задать режим работы (порядок включения и выключения по времени или при достижении температурой определённой величины).
Минусы этого решения следующие:
- каждый такой прибор придётся настраивать отдельно;
- он не будет согласовывать свою работу с другими системами дома;
- каждая отдельная система не будет реагировать на изменение температуры извне, поскольку таких данных у неё просто нет.
Более эффективным решением является создание системы обогрева помещения под управлением единого контрольного блока, которому можно будет задавать общий режим работы (с учётом особенностей функционирования для каждой группы обогревательных приборов отдельно).
Как для простой, так и для объединённой системы отопления, удачным решением будет определить температурные зоны, задавая отдельные параметры отопления для каждой из них. Умный дом, отопление которого настроено подобным образом, будет обогревать сильнее жилые помещения, с меньшей активностью давать тепло гаражу, и следить за тем, чтобы не поднималась температура в винном погребе.
Погодозависимое управление отоплением

Важное звено системы «умный дом» — погодозаваисимый регулятор
Погодозависимый регулятор отопления – один из ключевых элементов для создания комфорта с помощью «умного дома». Внешний температурный датчик позволяет соотнести температуру снаружи помещения и внутреннюю, а затем по заданной кривой такого соотношения определить режим работы без вмешательства человека.
Погодозависимый регулятор отопления будет контролировать обогрев помещения, реагируя на изменения погоды снаружи: равномерно повышать температуру при похолодании, или же, прекратит обогрев, если на улице жарко.
Поскольку погодный регулятор отопления реагирует на внешнюю температуру, он может по заданной программе поддерживать тепло и не допускать перерасхода. Умное отопление загородного дома понизит температуру, когда обогревать помещения не нужно (если хозяева уехали).
Комплексное управление отоплением в системе «Умный дом»
Комплексный подход подразумевает управление отоплением в сочетании с контролем работы вентиляционной системы и системы водоснабжения. Это позволяет реализовать полноценное поддержание определённого климата в доме, с учётом влажности воздуха и показателями температуры в разных помещениях.
Вы можете задать различные сценарии работы всем подконтрольным «Умному дому» системам, и реализовать функцию оповещения, если какая-либо из подсистем выйдет из строя.
Кроме того, можно использовать мобильную связь, чтобы давать команду системе. Умное отопление загородного дома начнёт подготовку жилых помещений к приёму гостей по такому сигналу заранее.
Комплексное управление отоплением, вентиляцией, водоснабжением и электричеством в системе «Умный дом» в результате даёт экономию на энергоносителях и повышает энергоэффективность (кризис энергоресурсов диктует решения и в бытовом строительстве).
Вентиляция в умном доме – управление системами
Автоматизация своего жилища необходима для комфортного проживания и включает в себя множество различных функций. Вентиляция в «умном доме» — одно из самых востребованных дополнений стандартных комплектов. Именно эта функция позволяет создать идеальный микроклимат в доме и избежать духоты в летнее время. Вентиляция предотвращает появление неприятных запахов, своевременно очищает воздух в помещении и обеспечивает его циркуляцию без вмешательства владельца.
Необходимое оборудование и элементы
При помощи системы вентиляции в «умном доме» можно без труда организовать необходимую температуру в каждом отдельном помещении. Если в спальне и на кухне необходимо поддерживать невысокую температуру, то в комнате детей и в ванной всегда должно быть тепло. Достичь этого самостоятельно не так просто, а вот доверить управление системе – приятно, при этом никаких трудностей у владельца дома не возникнет.
Вентиляция обычно входит в систему климат-контроля умного дома, поэтому отдельно ее устанавливать не имеет особого смысла.
Особый вентилятор монтируется прямо у подвесного потолка, а дополнительные элементы обеспечивают нужный микроклимат.
Дополнительное оборудование и датчики обеспечивают следующее:
- Элемент, регулирующий скорость вращения вентилятора, обеспечивает подачу необходимого количества воздуха в помещение. Правильно подобранная скорость для конкретного помещения обеспечит поступление нужного количества теплого воздуха и быстро устранит неприятные запахи.
- Труба, снабженная теплоносителем, обеспечивает поступление теплого воздуха в зимнее время года. Он попадает в помещение в процессе вентиляции и позволяет обеспечить нужный микроклимат. Для регулировки температуры воздуха устанавливается сервопривод.
- Дополнительные датчики обеспечат нужную влажность, что благоприятно скажется на самочувствии жителей дома.
Система вентиляции такого типа подразумевает наличие двух труб: одна необходима для поступления воздуха комфортной температуры в помещение, а вторая – для его удаления вместе с запахами.
Эта функция «умного дома» очень важна, именно благодаря ее наличию можно каждую ночь спать в комнате со свежим воздухом, при этом к моменту подъема температура в помещении станет комфортной. Неприятнее запахи в санузле и на кухне будут моментально исчезать, а дети смогут играть в теплом помещении, обеспеченном оптимальным уровнем влажности. Достаточно один раз установить желаемые параметры, чтобы забыть о дискомфорте и не задумываться о температуре в доме.
Особенности управления вентиляцией
При установке вентиляции в комплексе системы «умный дом», необходимо заранее продумать способы управления этой полезной функцией. Среди нескольких вариантов, большой популярностью пользуется установка нужных параметров, которые система поддерживает постоянно в автоматическом режиме.
Для экономии электроэнергии, многие владельцы «умных домов» предпочитают использовать дополнительные функции управления:
- Автоматическое отключение вентиляции, когда дома никого нет. Система останавливает работу вентилятора при постановке дома на охрану, или срабатывает только на сигналы датчика движения или света.
- Использование датчиков углекислого газа. Современные технологии позволяют настроить вентиляцию таким образом, что срабатывает она только в присутствии людей. Особенностью является ускорение режима, если в помещении слишком много народа.
- При помощи заслонок к сервоприводами, можно установить воздухообмен только в нужных помещениях.
Управлять системой вентиляции можно через единый центр или при помощи пульта, в зависимости от выбора владельца дома. Гораздо удобнее установить нужные параметры один раз, после чего наслаждаться приятным микроклиматом.
Система вентиляции выполняет две основные функции:
- обеспечивает крепкое здоровье, повышая уровень кислорода в доме;
- комфорт в любом помещении дома, в любое время суток.
Комфорт как итог
Независимо от того, была вентиляция установлена в комплексе с остальными функциями системы, или монтировалась отдельно, ее польза и преимущества будут оценены уже через несколько дней использования. Полноценный отдых после работы, бодрость с утра, здоровье детей и свежий воздух – все это будет постоянно сопровождать владельцев «умного дома» с вентиляцией.
Описание и характеристики клиентского ПО (web-интерфейс):
- осуществляет взаимодействие между контроллером и пользователем
- содержит интуитивно понятный графический интерфейс, мнемосхемы
- осуществляет взаимодействие с контроллером по OpenAPI
- формирует управляющие программы, которые затем отсылаются в контроллер
- отображает список подключенных устройств, умеет объединять устройства в группы для управляющих программ
- управляет режимами и сценариями работы вентиляции. Например: лето/зима. День/ночь. Выходные/будни
- возможность подключения дополнительных устройств и контроллеров вентиляции
- управляет авторизацией пользователей, а также их ролями (уровнем доступа)
- ведет статистику работ контроллеров, присылаемую с контроллеров.
- отображает данные контроллера (лог, набор устройств и т.д.)
Как это работает
Схема системы многоконтурного отопления с использование солнечного коллектора и дополнительных теплообменников.
Работа умного отопления основывается на преобразовании сигналов, получаемых от датчиков температуры. На основе получаемых данных регулируется работа отопительных приборов. Составные части системы умный дом соединяются кабелем или же сообщаются с помощью радиоволн. Последнее, несомненно, удобно при установке системы в уже эксплуатируемом здании.
Существуют и вовсе элементарно устроенные комплекты оборудования, монтировать которые можно самостоятельно, следуя инструкции. Они включают в себя термостат, который устанавливается в центре комнаты. Он измеряет температуру и посылает сигнал для регулирования подачи теплоносителя в радиатор. Принимает этот сигнал радио-терморегулятор, вмонтированный вместо механического вентиля. Он, кстати, может быть пропорциональным для плавного изменения температуры или двухпозиционным, имеющим два положения и работающий с определенным ритмом. Такой комплект может включать еще и датчик открытия окна.
Может использоваться также система, включающая умный котел отопления. Он выполняет роль теплогенератора. Для регулировки мощности на него устанавливается блок контроля нагрева, анализирующий температуру на улице и в помещении. В соответствии с полученными данными контролирует подачу газа в горелке. Тем самым осуществляя экономию топлива и создавая комфортный микроклимат.




























