Принцип функционирования трёхфазных счётчиков
Трёхфазный прибор учёта электроэнергии отличается от однофазного аналога возможностью функционировать в достаточно мощных сетях. Если стандартные электросчётчики на 220В устанавливаются в электрическую цепь, мощность которой не более 10 кВт, то, приборы трёхфазного типа работают при мощностных нагрузках от 15 кВт и намного больше. Такие многофункциональные аппараты одинаково хорошо работают как в стандартной бытовой сети, так и контролируют потребление энергии трёхфазными электродвигателями. При этом стандартные контролирующие приборы данного типа состоят из следующих конструктивных частей:
- токопроводящей обмотки;
- обмотки напряжения;
- червячного механизма, приводящего в движение циферблат;
- алюминиевого диска и магнита.
Стандартные индукционные приборы учёта энергии, используемые в сети 380В, такие как «Меркурий», оборудованы пластиковыми корпусами, которые защищают все механизмы от попадания влаги или различного рода загрязнений. Внутри корпуса размещены 2 сердечника вокруг одного из которых наматывается токовая обмотка, подключаемая параллельным способ в сеть. В свою очередь, вокруг другого элемента намотана обмотка напряжения, витки которой имеют увеличенный диаметр по сравнению с токовым налогом. Посредине между катушками в образованном пространстве, расположен диск из алюминия, вращение которого происходит посредством полей создаваемых обмотками.
Для обеспечения демонстрации показаний в счётчике расположен механизм червячного типа, через который подключается механическая стрелка либо электронное табло для вывода данных. В свою очередь, магнит предназначен для регулировки функционирования контролирующего прибора. Все обмоточные выводы подключаются к клеммным контактам учётного устройства и выводятся к фазе. Чтобы предотвратить вмешательство в работу электросчётчика со стороны потребителя, выходы пломбируются представителями компании-поставщика электроэнергии.
Бытовое применение
Трехфазный прибор в частном доме — оптимальное решение в том случае, когда применяется техника с высоким расходом электричества. Техника работает эффективнее при включении в такую сеть. Три фазы исключают перекос фаз, который возникает при подключении в одну сеть одновременно нескольких устройств, требующих высокой мощности.
Для удобства и безопасности, установка проводится в специальных коробах.

Щиты с такой системой учета весьма габаритны. Несмотря на незначительное отличие по напряжению с однофазными установками, трехфазник обеспечивает равномерное распределение по системе. Это и является главным преимуществом, что позволяет без опасения пользоваться мощными плитами, обогревателями, нагревателями, асинхронными двигателями, бензопилами.
Монтаж на улице
Установка системы на улице, возможно при организации эффективной теплоизоляции. При отрицательной температуре воздуха не обеспечивается корректный учет электричества. Обычно реальный расход преувеличивается.
Установка требует специальных огнеупорных, герметичных коробов. Индикатор должен быть виден через прозрачное стекло. Подключение счетчика электроэнергии проводится на расстоянии от поверхности земли 80-170 сантиметров.

Принцип функционирования трёхфазных счётчиков
Трёхфазный прибор учёта электроэнергии отличается от однофазного аналога возможностью функционировать в достаточно мощных сетях. Если стандартные электросчётчики на 220В устанавливаются в электрическую цепь, мощность которой не более 10 кВт, то, приборы трёхфазного типа работают при мощностных нагрузках от 15 кВт и намного больше. Такие многофункциональные аппараты одинаково хорошо работают как в стандартной бытовой сети, так и контролируют потребление энергии трёхфазными электродвигателями. При этом стандартные контролирующие приборы данного типа состоят из следующих конструктивных частей:
- токопроводящей обмотки;
- обмотки напряжения;
- червячного механизма, приводящего в движение циферблат;
- алюминиевого диска и магнита.
Читать также: Стол под электролобзик своими руками
Стандартные индукционные приборы учёта энергии, используемые в сети 380В, такие как «Меркурий», оборудованы пластиковыми корпусами, которые защищают все механизмы от попадания влаги или различного рода загрязнений. Внутри корпуса размещены 2 сердечника вокруг одного из которых наматывается токовая обмотка, подключаемая параллельным способ в сеть. В свою очередь, вокруг другого элемента намотана обмотка напряжения, витки которой имеют увеличенный диаметр по сравнению с токовым налогом. Посредине между катушками в образованном пространстве, расположен диск из алюминия, вращение которого происходит посредством полей создаваемых обмотками.
Для обеспечения демонстрации показаний в счётчике расположен механизм червячного типа, через который подключается механическая стрелка либо электронное табло для вывода данных. В свою очередь, магнит предназначен для регулировки функционирования контролирующего прибора. Все обмоточные выводы подключаются к клеммным контактам учётного устройства и выводятся к фазе. Чтобы предотвратить вмешательство в работу электросчётчика со стороны потребителя, выходы пломбируются представителями компании-поставщика электроэнергии.
Защитные и переходные устройства
Любой трехфазный счетчик электроэнергии, включаемый в высоковольтные сети через трансформаторы тока, должен быть защищен от перенапряжений, нередко возникающих в линиях энергоснабжения. С этой целью последовательно с ним устанавливаются специальные приборы, позволяющие ограничить напряжения, возникающие в линии в аварийной ситуации. Они встречаются под различными наименованиями, наиболее распространенным из которых является оин.
Это устройство по своему функциональному назначению напоминает защитный автомат. Но только срабатывает оно не от перегруза по току, а используется как ограничитель напряжения на участке питающей линии, в который включается трехфазный счетчик.
Ниже приводится схема, согласно которой осуществляется монтаж этого прибора в цепи защищаемого им оборудования.
Перед тем, как установить трехфазный счетчик в питающую цепь, специалисты советуют воспользоваться ещё одним специальным приспособлением, подключённым к клеммнику самого счётчика.
Указное изделие, встречающееся под обозначением икк, имеет в своей конструкции ряд перемычек, позволяющих коммутировать подключение удобным для пользователя способом. Внешний вид этого приспособления и схема включения его в цепи питания приводятся на фото ниже.
Из этого фото видно, что при применении ИКК монтаж и демонтаж прибора учёта любого типа существенно упрощается, что очень удобно при проведении их ремонта, например.
Дополнительная установка ИКК осуществляется путём его параллельного подключения к уже имеющейся клеммной колодке.
В заключительной части обзора отметим, что рассмотренные ранее схемы включения счетчиков выбираются, в зависимости от условий их эксплуатации и характера действующей электрической сети. Для организации правильного их подсоединения важен учёт всех факторов, влияющих на работоспособность конкретного счётного устройства, определяемых не только его классом, но и особенностями механизма снятия показаний.
Разновидности схем подключения
Трехфазный счетчик прямого подключения
Устройство предназначено для монтажа в электролиниях с силой тока до 100 А. Так можно снизить нагрузку техники, совместимой с приборами учета до 60 кВт. Особенность прямых счетчиков – невозможность присоединения контактов к проводникам большого сечения. Подключаться следует так:
- С кабеля снимается изоляционный слой на 5 мм. Окисления удаляются при помощи растворителя.
- Проводники подсоединяются на трехполюсный автомат, установленный для счетчика. Это выполняется с целью его защиты от замыкания на линии питания.
- В клеммном отделе прибора находятся контакты.
- На нечетные подкидываются 3 провода фазы от автовыключателя питания.
- Вводные и выходные нейтрали соединяются с клеммами № 7 и № 8.
- После установки учетного модуля ставится автомат, аналогичный вводному изделию.
- Выключатель подсоединяется на четные клеммы.
- Проводится разбивка техники на группы и на каждую фазу ставятся автоматы (для сетей с напряжением 220 В).
Особенности схемы подключения можно посмотреть на крышке клеммника.
Подсоединение прибора учета полукосвенным способом
Полукосвенный электросчетчик подкидывается на трансформаторы учета. Считать количество использованной энергии нужно, ориентируясь на преобразовательный индекс. Для этого используется одна из схем:
- Десятипроводная. Понадобится 11 проводов, которые подключаются справа влево. На первые 3 подсоединяется фаза А, на вторые 3 – фаза В. На кабели № 7-9 подкидывается фаза С, на десятый – нейтраль. Подключать трехфазник нужно испытательными колодками.
- Звезда. Применение схемы позволяет сократить количество проводников. Вначале в одной общей точке собираются первые однополярные выходы вторичной обмотки. Следующие 3 точки от выходов направляются на счетчик. Токовые обмотки соединяются.
Звезда
Десятипроводная
Полукосвенные модели также допускается подкидывать при помощи сцепки цепи тока с цепью напряжения.
Косвенный метод подключения счетчика
Схема включения трехэлементного счетчика к трехпроводной линии — два трансформатора тока, три трансформатора напряжения При минимальных энергозатратах актуально косвенное соединение. Поскольку через учетные изделия проходит повышенный ток, требуется раздельный трансформатор. Преобразователь разрывает токовую обмотку при подключении. Схема реализуется последовательно:
- Подбор материалов для первичного и вторичного контуров. Для первички понадобится толстый проводник, пропущенный через центр трансформатора. Вторичка навивается из тонкой проволоки.
- Трансформаторы подкидываются на каждую из фаз и крепятся к задней стенке распредшкафа.
- Концы проводов первички подключаются к автомату на вводе.
- Вторая часть контактов первичного контура отдельными проводниками сечением 1,5 мм2 подсоединяется на клеммы № 2, 5 и 8.
- Вторичную катушку подсоединяют аналогичными кабелями на выводы учетного прибора – 1 к 3, 4, а 6 и 7 к 9.
- На клеммники № 10 и 11 подкидывают нейтральный провод.
Через трансформаторы тока
При большом потреблении тока — более 100 А — счетчики прямого подключения работать не могут. В этом случае для частного дома рекомендовано подключение полукосвенного прибора учета через трансформаторы тока. Для этого подключения необходимы три трансформатора с определенными параметрами.
Коэффициент трансформации. Для определения этой характеристики необходимо посчитать максимальное потребление тока (не забудьте учесть пусковые токи). Эти данные вы подаете в проектную организацию, она рассчитывает требуемый коэффициент трансформации. Обычно это 100/5, но могут быть и другие. Полный перечень возможных вариантов в таблице ниже.
Коэффициенты трансформации и сопротивление обмоток трансформаторов тока
Для чего нужны трансформаторы тока при подключении счетчиков? Чтобы измерение потребленной электроэнергии было проще и дешевле. Если у вас максимальное потребление тока 100 А, соответственно, измерительный прибор (счетчик) должен быть рассчитан на прохождение такого тока. Обмотка измерительного прибора, которая выдержит 100 А, во-первых, будет дорогой, во-вторых, громоздкой. И провода для подключения такого прибора придется использовать очень толстые. В общем, неудобно и дорого. Трансформаторы тока подключаются к фазным, пропорционально преобразуют входной ток в меньший номинал и подают на стандартный измерительный прибор (счетчик в данном случае). Во сколько раз уменьшается ток и показывает коэффициент трансформации? Например, трансформатор с коэффициентом трансформации 40/5 уменьшает ток в 8 раз, 100/5 — в 20 раз.
А почему почти всегда ток уменьшается до 5 А? Это одна из стандартных величин, прописанная в нормативах. Могут быть еще варианты с 1 А, но они используются очень редко. Просто все измерительные приборы для трансформаторов тока выпускаются на 5 А или 1 А, все схемы строятся исходя из этого.
Трансформаторы тока и их подключение
Для корректной работы схемы необходимо строго соблюдать правила подключения трансформаторов. Трансформатор имеет следующие клеммы:
- Л1 — для подключения фазного провода от входного автомата.
- Л2 — подключают провод на нагрузку.
- И1 и И2 — измерительные контакты для подключения клемм счетчика.
Что такое трансформатор тока для подключения счетчика
Весь потребляемый ток протекает по первичной обмотке трансформатора тока. Во вторичной обмотке возникает пропорционально уменьшенный ток, который идет на счетчик.
Вот так выглядит наглядная схема подключения 3-х фазного счетчика через ТТ
При вычислении расхода электроэнергии показания счетчика умножаются на коэффициент трансформации. Таким образом высчитывается реальный расход электричества. Все это так, но подключать трансформаторы можно по-разному.
Десятипроводная
Наиболее популярная схема подключения трехфазного счетчика через трансформаторы — десятипроводная. Она дает высокую степень защиты, так как цепи тока и напряжения разделены. Недостаток схемы — большое количество проводов, соответственно высокая вероятность неправильного подключения.
Десятипроводная схема подключения трехфазного счетчика через трансформаторы тока
Подключение происходит в следующем порядке:
- С выхода защитного автомата фазные провода подаем на входные клеммы первичной обмотки трансформаторов тока. Обозначаются они Л1.
- С выходов первичной обмотки трансформатора провода идут к нагрузке. Если говорит конкретно по приборам, после счетчика обычно ставят противопожарное УЗО. В этом случае выходы Л2 подают на входы этого устройства.
- С клеммы И1 провод подаем на клемму для подключения первой фазы, со второго выхода этой фазы тянем провод на клемму И2. так подключаем все три фазы.
- Нулевой провод подключать можно двумя способами (описано для прямого подключения): Если на счетчике есть две клеммы для нейтрали, заводим на N1, с выхода N2 подключаем к шине и далее разводку по схеме делаем с шины.
- Если на счетчике только одна клемма для подключения нейтрали, сначала провод заводим на шину, с нее подаем на гнездо счетчика для подключения нуля.
Критерии выбора трёхфазного электросчётчика: на что обратить внимание при покупке
Приобретение подобного оборудования – довольно ответственное мероприятие. Ведь шутки с электричеством могут закончиться весьма плачевно
Поэтому стоит тщательно изучить все нюансы, на которые следует обратить внимание. Основной критерий – это качество продукции и его стоимость
Не стоит обращать внимание на прибор учёта электроэнергии, цена которого значительно ниже, чем у других моделей. Корпус прибора должен быть выполнен аккуратно. Торчащие по швам излишки пластика, как и его неравномерный цвет, должны насторожить покупателя. А приобретать электросчётчики нужно только в проверенных специализированных магазинах.
В частных домах можно собрать трёхфазный щит довольно аккуратноФОТО: drive2.ru
Что касается технических характеристик, то основное внимание необходимо обратить на два параметра – тип работы прибора и его конструктивное исполнение
Разделение электросчётчиков по типу работы
Выбор между аналоговым или электронным прибором учёта электроэнергии остаётся полностью за потребителем. Конечно, первый вариант является более простым и, как следствие, имеет меньшую стоимость. Однако впоследствии расходы по счетам могут быть выше по причине отсутствия возможности учёта с разделением тарифов.
Электронные модели на сегодняшний день более востребованы. Они позволяют экономить средства на разнице стоимости электроэнергии в дневное и ночное время. Переплатив при покупке, пользователь получает возможность платить меньше впоследствии. Но если планируется установка прибора учёта на подачу электроэнергии в помещение, где все работы производятся только днём, то многотарифное оборудование устанавливать будет невыгодно и даже убыточно.
Многотарифный счётчик «Энергомера»ФОТО: shuchin.deal.by
Конструктивное исполнение электросчётчиков: особенности некоторых моделей
Не все знают, что трёхфазные счётчики электроэнергии могут включаться в цепь по-разному. В бытовых электросетях, где нагрузки не слишком велики, используются приборы учёта прямого включения. Это привычная всем коммутация, при которой питание проходит непосредственно через счётчик.
Прямое включение электрического счётчикаФОТО: pro100electrik.ru
На предприятиях, где нагрузка бывает очень высока, используют приборы учёта косвенного включения. Их коммутация отличается. Для того, чтобы подключить такой электросчётчик, на токоведущие шины устанавливаются катушки трансформаторов, от которых провод уже идёт на сам прибор учёта. Таким образом, счётчик электроэнергии напрямую не контактирует с токоведущим проводником.
Косвенное включение счётчикаФОТО: eraelektro.ru
Разновидности схем подключения
В первую очередь, выбор подходящей схемы подключения электросчётчика на 380В зависит от типа контролирующего прибора. Хочется отметить, что трёхфазные счётчики способны работать в стандартных электрических сетях 220В. При этом все бытовые приборы учёта потребления электроэнергии различаются по следующим схемам подсоединения:
- приборы учёта с непосредственным включением;
- электросчётчики с полукосвенным типом подключения;
- контролирующие приборы с косвенным типом включения.
Устройство прямоточного типа учёта потребления энергоресурсов рассчитано на пропускание токов не выше 100 А. Из-за этого происходит ограничение использования такого аппарата по мощности, которая составляет не более 60 кВт. Клеммные контакты таких электросчётчиков и отверстия под проводку рассчитаны на подключение проводов небольшого сечения. В большинстве случаев это проводка, сечение которой варьируется в пределах от 16 до 25 мм квадратных. Приборы прямого включения имеют стандартную схему подключения, указанную на задней части крышки электрического счётчика, которая не вызывает особых затруднений.
Установка прибора
Перед тем, как установить устройство, определяется место монтажа и тип крепежа. Локация измерителя в новом доме определяется на этапе проектирования здания.
Покупка прибора на дин-рейку — универсальное решение, так как к счетчику всегда можно докупить удобное крепление.
Установка возможна на din-рейку, как показано на фото:
Вместо нее можно устанавливать пластинку из металла, идущую в комплекте со счетчиком. При этом прибор монтируется на ровную поверхность с тремя винтами.
Для включения счетчика используются медные провода, которые зачищаются примерно на 2.5 см. Подключение проводов трехфазного счетчика проводится до упора в отверстия и закрепляется двумя винтами, начиная с верхнего.
Важно, чтобы изоляция не попала в зажим, так же, как и не допускается выступ оголенного провода из-под корпуса. Перед тем, как подключить на клеммы трехфазного счетчика многожильные провода, на них устанавливают наконечники НШВИ
Для этого применяются специальные клещи. Опрессовывание наконечниками гарантирует надежность и безопасность контактов, предохраняет от возгорания в случае короткого замыкания
Перед тем, как подключить на клеммы трехфазного счетчика многожильные провода, на них устанавливают наконечники НШВИ. Для этого применяются специальные клещи. Опрессовывание наконечниками гарантирует надежность и безопасность контактов, предохраняет от возгорания в случае короткого замыкания.
Подсоединение проводов
Корректная работа обеспечивается точным соблюдением схемы подключения. Рассмотрим на примере счетчика Энергомера.
Входные клеммы 1, 3, 5, подсоединяются к входным фазам 1, 2, 3 соответственно. Выводные клеммы 2, 4, 6, подсоединяются к фазам выхода 1, 2, 3. Седьмая клемма — для нуля, восьмая — для выхода. Заземление подводится к шине заземления.
Запрещено заземление соединять с нулевой фазой. Рекомендации о том, как подключить трехфазный счетчик, указываются на корпусе и техническом паспорте.
После того, как проведено самостоятельное подключение, необходимо вызвать проверяющего от организации, поставляющей электроэнергию. Специалист оценит правильный ли монтаж и расположение трехфазного счетчика.
Подключение электросчетчика с трансформаторами тока
Одной из важнейших характеристик любого электросчетчика является его номинальный ток. То есть ток, который прибор может не только посчитать, но и долговременно через себя пропускать. Если в вашем доме стоит очень мощное оборудование, а потребляемый им ток имеет большие значения, то подобрать подходящий электросчетчик не удастся – счетчиков для таких мощностей просто не существует в природе. Как тут быть? Выход из положения – установка трансформаторов тока (ТТ).
Как работает и для чего нужен
Основной задачей прибора является пропорциональное преобразование тока одной величины в ток другой. Конструктивно изделие представляет собой железный сердечник, на котором размещены две обмотки. Первая включается в разрыв сети, состояние которой нужно контролировать, а вторая – к электросчетчику. Электроэнергия, проходя по первой обмотке, будет наводить ЭДС во второй, а отношение токов в этих катушках будет пропорционально отношению количества их витков.
Принцип работы токового трансформатора
Если, к примеру, первичная обмотка имеет 2 витка, а вторичная 20, то введенный во вторичной обмотке ток будет в 10 раз ниже тока первичной. В этом случае говорят, что коэффициент трансформации прибора 10 к 1 (10/1). Предположим, ваш токарный станок потребляет ток в 200 А. Такую мощность не выдержит ни один электросчетчик. Но если вы подключите прибор через ТТ, рассмотренный выше, то максимальная нагрузка через счетчик не будет превышать 200/10 = 20 А.
Совсем другое дело – токи такой величины легко сможет контролировать практически любой электросчетчик. Подбирая трансформаторы с тем или иным коэффициентом трансформации, вы легко можете вести учет расхода электроэнергии практически любой мощности обычными электросчетчиками.
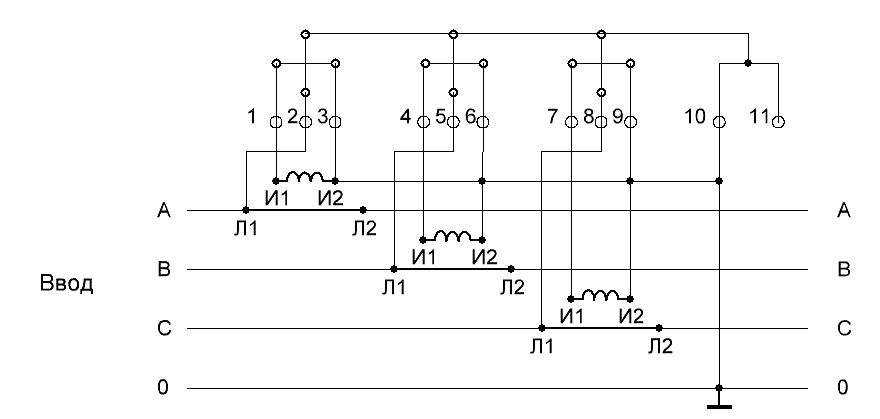
Как подключить ТТ к трехфазной сети
А теперь о схеме включения счетчика через ТТ. Конечно, она будет несколько сложнее конструкции прямого включения, но не настолько, чтобы в ней не разобрался человек, имеющий представление о простейших электрических цепях.
Схема подключения трехфазного счетчика через трансформаторы тока
В этой схеме электросчетчик подключен не в разрыв сетевых проводов, а ко вторичным обмоткам ТТ, которые обозначены как И1, И2. А в этот самый разрыв подключены первичные обмотки трансформатора (на схеме Л1, Л2).
Прежде чем взяться за сборку вышеприведенной схемы, необходимо четко разобраться в нескольких вопросах. От правильного их решения будет зависеть не только безопасная и долговременная работа схемы, но и ее работоспособность. Вот основные из них:
- Правильный выбор сечения монтажных проводов.
- Фазировка катушек ТТ.
Если вы не врезаете ТТ непосредственно в линию, то соединяющие провода первичной обмотки должны иметь то же сечение, что и проводка линии. Проводники, соединяющие ТТ и счетчик, конечно, могут быть тоньше, но они должны уверенно выдерживать ток, обозначенный на корпусе электросчетчика.
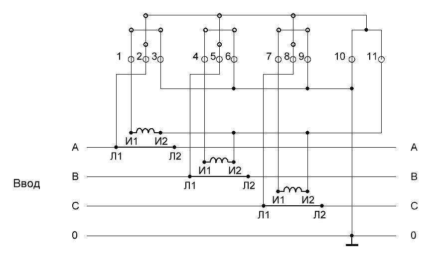
На фазировку (правильное подключение концов катушек) ТТ нужно обратить особое внимание. В противном случае прибор учета либо не заработает, либо будет врать, а то и закрутится в другую сторону, если он двунаправленный. Как разобраться с фазировкой? В этом поможет рисунок ниже:
Как разобраться с фазировкой? В этом поможет рисунок ниже:
Набор токовых трансформаторов для трехфазной сети
Даже если ваши трансформаторы не совсем похожи на приведенные, особой разницы нет – в любом случае все выводы обмоток маркируются единообразно. Контакты первичной, силовой обмотки отличить несложно – они гораздо мощнее контактов вторичной и расположены с противоположных сторон изделия. Маркируются они Л1 и Л2. Выводы обмотки 2, подключаемой к электросчетчику, в этом варианте исполнения закрыты прозрачной крышкой и имеют обозначение И1, И2. Если взглянуть на схему подключения счетчика, то можно увидеть, что катушки не только должны быть подключены каждая на свое место, но и правильно сфазированы:
- Л1 – на ввод питающей линии;
- Л2 – выход на нагрузку;
- И1 – на ввод счетчика;
- И2 – выход счетчика.
Что касается расцветки корпуса ТТ, она условна и служит только для удобства монтажа. Фактически все три трансформатора абсолютно идентичны.
Как быть, если в вашем доме однофазная сеть, но ток потребления слишком велик для электросчетчика? Такая ситуация достаточно редка, но она случается. И здесь выручит токовый трансформатор, причем всего один. Как подключить однофазный электросчетчик через ТТ понятно из рисунка ниже:
Схема подключения однофазного электросчетчика с трансформатором тока
Подключение трехфазного счетчика прямого включения
13 Июл 2018г | Раздел: Электрика
Здравствуйте, уважаемые читатели сайта sesaga.ru. Для учета потребляемой электрической энергии в трехфазных четырехпроводных цепях переменного тока применяют трехфазные электрические счетчики, разделяющиеся по типу подключения на счетчики непосредственного включения, полукосвенного и косвенного включения.
Газовый счетчик вк g4t на сайте gazo-schetchik.ru
Счетчики полукосвенного и косвенного включения предназначены для работы в мощных электрических сетях и применяются для учета энергии на крупных строительных объектах, промышленных предприятиях, заводах и т.п.
Счетчик измеряет потребляемую энергию с помощью разделительных трансформаторов тока, которые устанавливают на каждую фазу. Трансформаторы преобразуют входной сигнал тока до определенной величины, который затем поступает в измерительную часть счетчика.
Отсюда и происходит название способа включения, потому что в процессе измерения ток сначала проходит через трансформаторы и понижается до рабочего диапазона счетчика, и только потом попадает в его измерительную часть. Поэтому за счет применения трансформаторов счетчики косвенного и полукосвенного включения могут работать с нагрузкой в несколько раз превышающей их рабочий ток.
Счетчики непосредственного включения применяются для учета потребляемой энергии в электрической сети маломощного потребителя. Измерение электроэнергии осуществляется внутренней схемой самого счетчика, которая подключается непосредственно к трехфазной четырехпроводной сети переменного тока. И хотя такое включение ограничено максимальным током, который способен пропустить счетчик и ограничено величиной 100 Ампер, однако этого тока вполне достаточно для домашней электрической сети.
На примере трехфазного счетчика непосредственного включения «Энергомера» я расскажу Вам, как его включить в трехфазную сеть. В принципе, схема подключения дается в руководстве по эксплуатации и дополнительно изображена на корпусе счетчика, поэтому проблем с подключением возникнуть не должно. Однако эти схемы имеют один минус – на них не показано включение коммутационной аппаратуры.
Сейчас мы этот минус устраним. Итак. Для подключения нам понадобится счетчик, два автоматических выключателя и нулевая шинка. Автомат, который будет стоять на вводе (перед счетчиком), желательно установить четырехполюсный, чтобы при необходимости или возникновении аварийной ситуации можно было полностью отключить себя от линии.
Чтобы добраться до клеммной колодки необходимо открутить винт и снять нижнюю крышку. На рисунке винт обозначен кружком.
Сначала подключим вводной автомат. С выходных клемм автомата фазы А, В, С (белый провод) подключают на входные клеммы счетчика 1-3-5, а ноль N (синий провод) на клемму 7.
В процессе монтажа провод от изоляции очищают следующим образом: конец провода, подключаемый к выходной клемме автоматического выключателя, очищают от изоляции на длину 8 – 10 мм, а конец, подключаемый к клемме счетчика, очищают на длину 27 – 30 мм.
При подключении провода к счетчику откручивают оба винта контактного зажима. Провод вставляют до упора и первым закручивают верхний винт. Легким подергиванием провода убеждаются, что он плотно зажат и если зажат, то затягивают нижний винт.
Совет. Если счетчик предполагается использовать в частном доме или квартире, то монтаж внутренних соединений выполняется медным проводом сечением 4мм². Использовать провод сечением свыше 4мм² нет смысла, так как для домашнего потребителя Россеть более 15 кВт не дает и по техническим условиям вводной автомат разрешает устанавливать на нагрузку не более 25 Ампер. А рабочий ток медной жилы сечением 4мм² составляет приблизительно 32 Ампера, чего вполне достаточно.
Продолжаем. С выходных клемм счетчика 2-4-6 провода фаз А, В, С подключаются на входные клеммы автоматического выключателя, с выхода которого трехфазное напряжение поступает в домашнюю электрическую сеть. С клеммы 8 нулевой провод N подключается к нулевой шинке.
А вот как выглядит полная монтажная схема включения трехфазного счетчика.
Теперь если подать напряжение на счетчик, то на его лицевой панели должен зажечься световой индикатор «Сеть». А при подключении нагрузки световой индикатор «600 imp/kW•h» (или «400 imp/kW•h» — в зависимости от исполнения) должен мигать.
Также рекомендую посмотреть ролик о включении трехфазного счетчика прямого включения в трехфазную электрическую сеть.





























