Недостатки проходных устройств
Положение клавиш не позволяет определить, выключена или включена система. Например, сразу не удастся понять, отключен свет или перегорела лампочка. Невозможно одновременно из разных мест управлять световым прибором. Большое количество подключенных приборов подразумевает массу скруток в распределительной коробке. Ошибки в подключении вынуждают собирать всю схему заново.
Проходной выключатель обладает многими функциональными возможностями. Но чтобы его подсоединить, нужно приобрести еще один прибор. Также возрастает количество соединительных проводов, что увеличивает общую стоимость системы. Обыкновенный выключатель имеет сравнительно низкий ценовой показатель, но проигрывает в функциональности.
://
Проходной выключатель – это, строго говоря, не выключатель, а переключатель. Хотя в народе его называют именно выключателем, потому что он служит для выключения света. Я тоже буду в данной статье придерживаться народных традиций.
Использование проходного выключателя очень удобно там, где необходимо включать или выключать освещение из разных мест. Как следует из его названия, такой выключатель можно ставить в проходах.
Другие примеры применения – большие помещения, коридоры, лестницы, и т.п.
Для того, чтобы включить или выключить свет, в данном случае надо переключить один из переключателей (их как правило два, но может быть и больше) в противоположное положение.
Как из простого выключателя сделать проходной

Для преобразования понадобится два выключателя – одно- и двухклавишный. Лучше, если они будут от одного производителя и одинаковые по размеру. Суть переделки – добавление еще одного контакта в двухклавишный обычный выключатель. Предварительно нужно убедиться, что конструкция позволяет поменять местами клеммы.
На керамическом основании есть группа общих, частных и контакты «коромысла». Электрическую часть снимают, один из подвижных контактов разворачивают на 180°. Одну площадку из общей группы срезают. Получившийся механизм собирают, проверяя его работу.
Устройство закрывают одинарной крышкой. Можно оставить двойные клавиши, склеив их между собой. Таким образом, в одном положении активируется одна цепь. Переключив клавишу, будет подключаться другая.
Какие ошибки можно допустить?
Естественно, при неумении читать схему монтажа проходных двухклавишных выключателей «Лезард», можно допустить массу ошибок. И самая первая случается при поиске общего контакта. По ошибке некоторые люди думают, что общей клеммой считается та, которая расположена отдельно от двух других. И это не так совсем. Конечно, на некоторых моделях такая «фишка» может прокатить, но случается это достаточно редко. И если соберете схему с ошибкой, переключатели не смогут правильно работать, сколько их не клацай
Общий контакт может располагаться в любом месте, поэтому важно найти его, ориентируясь на схему или показания прибора. Достаточно часто такие проблемы возникают при установке или замене выключателей проходного типа от разных производителей
Посмотрели информацию по одному, соединили его правильно, а второй оказался другого производителя
И его по такой же схеме подключили, а он не работает. Чтобы восстановить работоспособность, нужно найти общий контакт и подключить все провода правильно. Этот шаг является главным, от него напрямую зависит то, как будет работать вся система в дальнейшем. Не нужно ориентироваться на авось, лучше несколько раз убедиться в том, правильно ли определены контакты. А чтобы не забыть, можно маркером пометить их. Таким образом, конечно, чтобы не было видно этих меток снаружи
Посмотрели информацию по одному, соединили его правильно, а второй оказался другого производителя. И его по такой же схеме подключили, а он не работает. Чтобы восстановить работоспособность, нужно найти общий контакт и подключить все провода правильно. Этот шаг является главным, от него напрямую зависит то, как будет работать вся система в дальнейшем. Не нужно ориентироваться на авось, лучше несколько раз убедиться в том, правильно ли определены контакты. А чтобы не забыть, можно маркером пометить их. Таким образом, конечно, чтобы не было видно этих меток снаружи.

Но случается и такое, что тот прибор, который вы используете, не является проходным
Поэтому при покупке нужно обращать внимание на то, какой тип устройства – проходной или обычный двухклавишный. Также стоит упомянуть и про неверное соединение перекрестных устройств
Некоторые электрики провода от первого выключателя «сажают» на контакты, расположенные вверху
А от второго выключателя – на контакты, которые внизу. Но нужно делать несколько иначе – все провода подключаете к устройству крест-накрест. Только в этом случае вся конструкция сможет правильно функционировать
Некоторые электрики провода от первого выключателя «сажают» на контакты, расположенные вверху. А от второго выключателя – на контакты, которые внизу. Но нужно делать несколько иначе – все провода подключаете к устройству крест-накрест. Только в этом случае вся конструкция сможет правильно функционировать.
Подключение проходного переключателя
В первую очередь необходимо правильно подключить сам выключатель в подрозетнике. Снимаете клавишу и накладные рамки.
В разобранном состоянии можно легко увидеть три контактных клеммы.
Самое главное — это найти общую из них. На качественных изделиях с обратной стороны должна быть нарисована схема. Если вы в них разбираетесь, то можно легко сориентироваться по ней.
Если же у вас бюджетная модель, или для вас любые электрические схемы темный лес, то на помощь придет обыкновенный китайский тестер в режиме прозвонки цепи, или индикаторная отвертка с батарейкой.
При помощи щупов тестера попеременно касаетесь всех контактов и ищете тот, на котором тестер будет «пищать» или показывать «0» при любом положении клавиши ВКЛ или ВЫКЛ. Еще проще это сделать индикаторной отверткой.
После того как вы нашли общую клемму, на нее нужно подключить фазу с кабеля питания. На остальные клеммы присоединяете два оставшихся провода.
Причем какой из них куда, не имеет существенной разницы. Выключатель собирается и закрепляется в подрозетнике.
Со вторым выключателем проделываете ту же самую операцию:
ищите общую клемму
подключаете на нее фазный проводник, который будет идти на лампочку
на оставшиеся подсоединяете две другие жилы
Недостатки проходных устройств
Положение клавиш не позволяет определить, выключена или включена система. Например, сразу не удастся понять, отключен свет или перегорела лампочка. Невозможно одновременно из разных мест управлять световым прибором. Большое количество подключенных приборов подразумевает массу скруток в распределительной коробке. Ошибки в подключении вынуждают собирать всю схему заново.
Проходной выключатель обладает многими функциональными возможностями. Но чтобы его подсоединить, нужно приобрести еще один прибор. Также возрастает количество соединительных проводов, что увеличивает общую стоимость системы. Обыкновенный выключатель имеет сравнительно низкий ценовой показатель, но проигрывает в функциональности.
://
Если вы установили прибор освещения в длинном коридоре и хотите, чтобы он выключался в обоих концов, вам понадобится специальный коммутатор, переключающий подачу напряжения с одного полюса на другой. Тот же принцип можно использовать если вы собрались запитать осветительный прибор при входе в комнату и у кровати или возле рабочего стола.
Тогда вы сможете отключить общее освещение уже лежа в постели или включив настольную лампу на рабочем столе. Камнем преткновения для реализации этой схемы является относительно высокая стоимость такого электрического прибора, а вам их понадобится два, поэтому куда выгоднее изготовить проходной выключатель своими руками.
Подключение проходного переключателя
В первую очередь необходимо правильно подключить сам выключатель в розетку. Удалите ключевые кадры и кадры наложения. 
После разборки вы можете легко увидеть три контактных клеммы. 
Самое главное найти общие. На качественных изделиях на обороте должна быть нарисована схема. Если вы их понимаете, то сможете легко в них ориентироваться. 
Если у вас бюджетная модель, или какие-то электрические схемы для вас темный лес, то на помощь придет обычный китайский тестер в режиме прозвонки, или индикаторная отвертка с батарейкой.
Щупами тестера поочерёдно прикасайтесь ко всем контактам и ищите тот, который тестер будет «пищать» или показывать «0» при любом положении клавиши ВКЛ или ВЫКЛ. Еще проще это сделать индикаторной отверткой. 
После того, как вы нашли общий вывод, к нему нужно подключить фазу от силового кабеля. Подсоедините оставшиеся два провода к оставшимся клеммам.
И кто куда идет, не имеет существенного значения. Выключатель монтируется и фиксируется в розетке. 
Проделайте ту же операцию с другим переключателем:
ищу общую нить
подключите к нему фазный провод, который пойдет к лампочке
подключите два других провода к оставшимся

Особенности этого выключателя
Проходной выключатель Легранд на две клавиши
Стоит отметить, что проходной выключатель от компании Legrand, схема подключения которого очень проста, изготавливается из таких материалов, благодаря которым его использование является не только длительным, а и безопасным.
Эти материалы представляют собой оцинкованную сталь и поликарбонат. Из оцинкованной стали изготовлены такие элементы, как суппорт, захваты, винты.
Рамка, корпус, клавиши и механизмы подключения изготавливаются из поликарбоната или из пластика АВS. Это означает, что в течение многих лет эти элементы не будут трескаться и не будут разрушаться под воздействием ультрафиолетовых лучей.
Примечательным фактом является и то, что производитель выпускает клавиши, корпус и рамку в различных цветах и с различными узорами. Крышка может быть изготовлена также из:
- Фарфора.
- Дерева.
- Может быть покрытой кожей.
Как отмечается в инструкции, сам корпус выключателей Legrand, может обладать двумя видами защиты:
- IР20;
- IР44.
Корпуса IР44 защищают все внутренние контакты от влаги. Крепления самого включателя происходит либо с помощью винтов или с помощью зажимов.
Важной особенностью одно- или двухклавишного проходного выключателя Legrand является наличие безвинтовых зажимов CuZn15/X12 CrNi 177, что очень упрощает процедуру подключения медных проводов. Эти зажимы позволяют подключать как однопроволочные, так и многопроволочные гибкие проводники
Они рассчитаны для проводов, которые имеют сечение от 1-го до 2,5 кв. миллиметра
Эти зажимы позволяют подключать как однопроволочные, так и многопроволочные гибкие проводники. Они рассчитаны для проводов, которые имеют сечение от 1-го до 2,5 кв. миллиметра.
Полезный совет: чтобы вставить провод в зажим, нужно снять 12 миллиметров его изоляции.
Важным моментом является то, что контакты ArNi не содержат в себе кадмия. Этот элемент приводит к загрязнению контактов и к преждевременному их разрушению. Любая модель отсоединителя от этой компании может работать в условиях, когда температура превышает 5 и является меньшей 40 градусов Цельсия.
Стоит также сказать, что проходной включатель рассчитан на силу тока 10 ампер. Иными словами мощность осветительных приборов может составлять до 2,2 кВт.
Еще одна особенность, которая является важным плюсом, — это наличие у некоторых моделей светового индикатора.
Управление светом из нескольких мест: перекрестный переключатель
Проходных переключателей в схеме может быть только два. Если требуется управлять освещением из трех и более мест, то применяется схема с перекрестным (двойным проходным) переключателем:
Схема с перекрестным переключателем для включения освещения с трёх мест
Перекрестный переключатель можно сделать из двойного проходного. Для этого достаточно скрепить две клавиши вместе и соединить нужные контакты согласно схеме. Если использовать несколько перекрестных переключателей, то можно управлять освещением с нескольких мест.
На практике перекрестные переключатели используются очень редко.
Выбор, конструкция и отличия проходных выключателей
Прежде чем собирать такую схему управления вот на что следует обратить особое внимание:
1трехжильный2
Основное отличие обычных от проходных заключается в количестве контактов. Простые одноклавишные имеют две клеммы для подключения проводов (вход и выход), а проходные — три!
На простом, цепь освещения может быть либо замкнута, либо разомкнута, третьего не дано.
Так как он, именно переключает цепь с одного рабочего контакта на другой.
По внешнему виду, спереди они могут быть абсолютно одинаковыми. Только на клавише проходного может присутствовать значок из вертикальных треугольников. Однако не перепутайте их с перекидными или перекрестными (подробнее о них ниже). У этих треугольнички смотрят в горизонтальном направлении.
А вот с обратной стороны сразу видна вся разница:
у проходного 1 клемма сверху и 2 снизу
у обычного 1 сверху и 1 снизу
Многие по этому параметру путают их с двухклавишными. Однако двухклавишные здесь также не подойдут, хотя и имеют тоже три клеммы.
Существенна разница именно в работе контактов. При замыкании одного контакта у проходных переключателей автоматически происходит замыкание другого, а в двухклавишных такой функции нет.
Причем промежуточное положение, когда обе цепи разомкнуты у проходного вообще отсутствует.
Как подключить проходной выключатель
Если использовать проходные выключатели, возможно управление одним источником света из двух, трех и более мест. Рассмотрим, какие бывают варианты подключения проходных включателей.
Подключаем двухклавишные проходные выключатели
Этот способ необходим в том случае, если есть длинный коридор. Входя в него, Вы зажигаете свет, дойдя до конца, свет нужно выключить. Именно здесь и используется схема подключения двух проходных выключателей.
Схема подключения двухклавишного выключателя
Необходимо переключение перекидного вида, т.е. с одной стороны коридора контакты замыкаются, с другой – размыкаются. Для этого устанавливаем разветвительную коробку, из которой выходят два кабеля – нулевой и питания, соответственно, нулевой отходит на первый выключатель, питания – на второй. Провод фазы в этом случае соединяется через коробку с двумя контактами выключателя в конце коридора, и эта фаза перекидывается на лампу.
Схема подключения двухклавишного выключателя
Бывают также и двойные проходные сенсорные выключатели. Нет ничего сложного в том, как подключить модель с диммером. Данные устройства управляются с 30 метрового расстояния. Провода сенсора подключаются к разрыву в цепи управления лампы. В свою очередь сам монтаж коробки сенсорного выключателя практически не отличается от обычного. Один провод уходит в минус, другой – к фазе. Перед тем, как установить дистанционные проходные переключатели, нужно определить, какие контакты уходят к светильнику, а какие к командному блоку или разветвительной коробке, объединить их в определенные группы.
Тройные включатели
Принципиальных отличий, как подсоединить проходные выключатели Легранд для трехместного управления от методики, изложенной выше, нет. Нужно использовать спаренный вид выключателя и четырехжильные провода. При помощи спаренного выключателя с одного прибора контакты перекидываются на остальные два.
Схема крестового спаренного выключателя
Одинарные тройные переключатели имеют по три контакта – это два входа и один выход. Нулевой провод от кабеля питания уходит на источник света. Выходные контакты соединены со вторым проходным выключателем, а третий контакт уходит на сеть питания.
Одинарные тройные переключатели
Кроме того, к любой из таких схем можно подключить специальный пульт дистанционного управления, который работает без проводов. Можно использовать абсолютно любое устройство для включения техники на расстоянии мощностью до 1,5 кВт с целью выключения освещения на определенной дистанции. Для этого к пульту подключаем реле, направляем в сторону лампы и нажимаем на определенную кнопку, которая после будет использоваться нами как командная. После этого, операция зафиксирована в энергозависимой памяти и теперь при нажатии именно этой кнопки будет включаться или выключаться свет, независимо, подключен пульт к реле или нет. Места управления освещением в таком случае не ограничены.
Двухклавишные выключатели
Эти устройства имеют возможность управлять шестью источниками света одновременно. Конструктивное решение выполнено таким образом, что в одном корпусе расположено 2 отдельных выключателя. Они могут подсоединяться следующими образами:
- 3 контакта или одинарный метод;
- спаренный или перекрестный способ (для подключения 4 и более светильников).
Разные схемы подключения выключателей
Покупаем проходные перекрестные выключатели
Перед тем, как подключить проходные выключатели света, нужно подобрать приборы под свои потребности. Сенсорные выключатели имеют от одной до четырех контактных зон, благодаря чему одним прибором можно контролировать до четырех источников света. Такими моделями являются устройства фирм lezard, viko и makel.
Если используются обычные накладные переключатели электричества, рекомендуются приборы двухжильные от фирм Шнайдер Электроникс и abb. Несмотря на то, что цена этих приборов немного ниже. Чем вышеперечисленных фирм, они не отличаются по качеству исполнения.
Что нужно знать, перед тем, купить проходные выключатели:
- количество источников света;
- расположение светильников: параллельное или последовательное;
- сила напряжения сети питания квартиры.
Количество установочных мест, из которых можно управлять светом, неограниченно, любой электрик это подтвердит. Монтаж переключателей производится по всем правилам: герметизация контактов, установка заземления, подключение к УЗО.
Схемы подключения проходных выключателей
Способ расключения маршевых выключателей определяется конкретными условиями применения. В нескольких случаях мы рассмотрим 2 варианта изображения подключения. Первый из них более прост для понимания, и его достаточно при установке приборов в случае уже существующей электропроводки. Другой вариант учитывает требование прокладки кабеля с применением распределительных коробок, что реально исполнить в новостройке или при замене проводки.
Стандартный вариант установки в 2-х точках
Вариант управления одним или несколькими параллельно соединенными лампами из двух местоположений наиболее востребован и прост. Существует четыре возможные комбинации положения клавиш двух выключателей: в двух из них светильник включен, в двух других – выключен.
В примере с фото приборов сзади цепь разомкнута, и лампа не горит. На нижней части иллюстрации цепь замкнута, и свет включен. Можно сказать, что в данной схеме подключения один обычный выключатель заменен двумя одноклавишными проходными, соединенными между собой двухжильным кабелем.
Данная иллюстрация демонстрирует подключение с применением распределительной коробки. Как видите, каждый из приборов соединен с коробкой трехжильным кабелем.
Схемы управления одним светильником из нескольких точек
Управление из нескольких точек необходимо при движении по длинному переходу. Например, в трехэтажном доме на каждом этаже можно управлять освещением на лестнице там, где нужно.
Чтобы реализовать схему независимого управления освещением из трех местоположений, необходим перекрестный выключатель. Как и в предыдущем варианте, они могут быть соединены между собой двухжильным кабелем.
Теперь познакомимся со схемой электромонтажа, выполненной по всем правилам, с применением распредкоробки. Как видите, для подсоединения к распределительной коробке двух проходных переключателей необходим трехжильный кабель, а для перекрестного — придется использовать два двухжильных.
По этому же принципу можно построить схему управления освещением из 4-х и более местоположений. Первый и последней прибор в цепи – проходные выключатели. Промежуточные приборы — перекрестного типа.
Управление несколькими светильниками из нескольких мест
Бывают ситуации, когда необходимо управлять несколькими светильниками из нескольких местоположений. Например, в спальне возможна установка одного двухклавишного проходного переключателя у двери, а другого — у кровати. Тогда в обоих местах можно будет включать и выключать как общее освещение в комнате, так и светильники у кровати.
Для реализации такой схемы потребуется два двухклавишных проходных выключателя. Для их соединения в простейшем случае необходимо два двухжильных кабеля.
Монтажная схема правильного подключения двухклавишного проходного выключателя с применением распредкоробки выглядит более внушительно. Коробка потребуется большого размера, так как в ней должно уместиться восемь соединений проводов. Для подключения первого проходного выключателя потребуется двухжильный и трехжильный кабель, а для подсоединения второго – два трехжильных.
Теоретически, увеличивая количество проходных 2-х клавишных выключателей, можно осуществлять независимое управление освещением 2-х светильников из любого количества мест. Возможно, Вы захотите оперировать из двух местоположений тремя группами лампочек в люстре. Схема с применением тройного выключателя демонстрирует реальную возможность такой работы, однако кабеля при этом потребуется немало.
Данная схема подключения проходного выключателя из 3-х мест демонстрирует возможность управления двумя отдельными лампочками. Два двухклавишных проходных выключателя могут стоять у кровати, третий – у двери спальни. Везде можно включить и выключить местное освещение, либо общий светильник.
Как мы уже заметили, схему управления освещением можно наращивать бесконечно. Возможность включать и выключать 2 различных светильника из четырех точек может пригодиться в длинном коридоре дома с большим количеством комнат. Очевидно, после рассмотрения различных примеров не составит труда составить самому любую схему независимого управления освещением с применением одноклавишных и других проходных выключателей.
Практическое применение проходного выключателя
Иногда при постройке дома бывает не всегда ясно, где именно потребуется возможность управления освещением. Маршевые переключатели пригодятся для:
- Включение осветительных приборов в гараже;
- Управление светильником возле входа в гараж;
- Обеспечение освещения садовых дорожек;
- Включение света в прихожей.
В результате появляется возможность включить освещение не выходя из дома, с комфортом переместится в гараж и выключить светильники там, или поступить наоборот.
Дополнительно в этом примере появляется еще 2 возможности:
- Включить свет работая во дворе;
- Возможно, включить освещение, не выходя из дома если приехали гости.
Можно в цепь освещения участка перед домом включить датчик освещенности, и с наступлением темноты светильники на придомовой территории включатся автоматически.
В темном тамбуре перемещаться неудобно, поэтому там тоже устанавливают проходные выключатели, позволяющие:
- Включать светильник на крыльце;
- Освещение на стене тамбура;
- Включить светильник в прихожей.
Выключатели необходимы для включения освещения лестницы на 2 этаж, они позволят:
- Включить свет в гостиной на 1 этаже;
- Включить освещение на лестничном переходе;
- Включить свет на площадке 2 этажа.
Можно использовать данные выключатели в цокольном этаже, они позволят:
- Включать свет перед входом в цоколь;
- Включать осветительные приборы находясь в цокольном этаже.
В результате вы сможете сперва включить свет в помещении цокольного этажа, а после отключить освещение на лестнице.
Не предусмотрительно не подумать и об установке в спальной комнате данных типов выключателей! Потребуется перед сном, подниматься выключать свет возле двери, после этого перемещаться в полной тьме, рискуя случайно удариться об угол кровати.
Лучше будет если в комнате имеется:
- Проходной выключатель возле двери;
- Светильник, размещенный возле тумбочки;
- Проходной выключатель, установленный возле изголовья.
Изменение обычного выключателя под проходной
При изучении фото проходного выключателя в сети, становится ясно, что отличия данного типа от обычного минимальны. А потому, при наличии в запасе пары обычных элементов, их можно без особого труда переделать в усовершенствованный вид. Особенно, если речь идет о действующих устройствах. Таким образом, получится сэкономить не только на затратах электроэнергии, но и на покупке дополнительных устройств.
Инструкция по тому, как сделать проходной выключатель из стандартного подразумевает наличие пары устройств переключения производства одной фирмы и одного формата выпуска (форма клавиш, размер, цвет). Причем потребуется одноклавишный и двухклавишный разновидности.

Здесь важно обратить внимание, чтобы двухклавишный тип устройства имел клеммы, допускающие перемену мест. Это важно для обеспечения независимого процесса замыкания и размыкания сети. Другими словами, в одном положении клавиши будет включена первая сеть, в другом положении – вторая.
Другими словами, в одном положении клавиши будет включена первая сеть, в другом положении – вторая.
Другими словами, в одном положении клавиши будет включена первая сеть, в другом положении – вторая.


Алгоритм действий будет иметь вид:
- в месте крепления щупом определить, который из идущих в стене (поверх стены) проводов – фазовый и пометить его цветом, это облегчить процесс установки;
- если элемент действующий, а не новый, потребуется его обесточить и вынуть (ослабить зажимы контактов и каждый винт подрозетника);
- с обратной стороны вынутого устройства разжать зажимы на корпусе и вынуть электрическую составляющую;
- при помощи толстой отвертки (шлицевой тип) из станины аккуратно, чтобы избежать повреждения элементов, вынимаются пружинные толкатели;
- той же отверткой поддеваются зубцы на торцах извлеченного механизма;
- один из подвижных контактов-коромысел, расположенных на электрической части, потребуется развернуть на полный оборот (180°);
- срезать одну из площадок общих контактов (без последующей изоляции);
- вернуть на место снятые элементы;
- если речь идет о действующем элементе, потребуется установить его на прежнее место;
- снять клавишу с одноклавишного выключателя и надеть на собранную конструкцию;
- установить второй переключатель на запланированной точке контроля, соединив с первым трехжильным кабелем;
- объединить цепь воедино в распределительной коробке.

В случае с устанавливаемыми во время ремонта переключателями, наличие усовершенствованного переключателя можно учесть в проекте. Если речь идет об автономной переделке точек управления электрическим прибором, процесс пройдет сложнее.

На первых порах после установки рассмотренных разновидностей переключателей, будь они с завода или изготовлены самостоятельно, может возникнуть путаница в использовании из-за некоторых особенностей устройств, так как по положению клавиши теперь не будет понятно, включен прибор или выключен.

Также сеть не будет доступна одновременно из обеих (всех) точек контроля. В один момент времени команда должна отдаваться из одной точки. Однако, первоначальная непривычность не перекроет преимуществ от установки.

Какой лучше использовать кабель
Согласно действующим нормам, при подключении запасного выключателя рекомендуется использовать 3-х жильный медный кабель сечением 1,5 кв.мм.
Самые популярные варианты:
- ВВГнГ-3х1,5.
- ШВВП-3х1,5.
- ПВСнг-3х1,5.

Основное отличие вышеперечисленных проводников заключается в форме изоляционного покрытия и свойствах жил
При выборе кабеля обратите внимание на то, чтобы он был маркирован по ГОСТу
Это гарантирует, что при покупке провода сечением 1,5 кв.мм вы получите именно этот параметр, а не 1,0 или, например, 1,2 кв.мм. Помните, что несоответствие поперечного сечения может привести к перегрузке и несчастным случаям.
Как подключить проходные выключатели для управления освещением из нескольких мест? Схемы подключения и видео
Как было сказано выше, проходные выключатели предназначены для управления одной или несколькими группами освещения. Мы уже рассмотрели, как подключить сквозной выключатель, и знаем, что управлять осветительными приборами можно с двух и более точек, но каждая из этих схем имеет свои особенности.

Такое устройство, как выключатель, может выглядеть элегантно и богато
В отличие от обычных одно-, двух- и трехклавишных коммутационных блоков, которые монтируются по отдельности, установка проходных выключателей осуществляется только попарно. Далее мы рассмотрим, как реализовать схему управления световыми группами из двух и более мест и функции подключения.
На видео наглядно показана принципиальная схема переключателя байпаса:
Посмотреть это видео на YouTube
Принципиальная схема подключения проходного выключателя с 2-х мест
подключение проходного выключателя практически не отличается от установки обычного 1-, 2- или 3-позиционного выключателя. Разница только в количестве клемм и проводов.
Для реализации двухсторонней схемы подключения выключателя потребуются два коммутационных блока, распределительная коробка, к которой подключаются провода от осветительных приборов и трехжильные кабели от выключателей.

Схема подключения двухпозиционного переключателя
Фазная линия от распределительной коробки подключается к общему входному контакту 1 проходного выключателя. Выходные контакты подключены параллельно аналоговым клеммам второго блока коммутации. От общего разъема второго выключателя провод идет на клемму блока освещения. Другой вывод лампы соединяется проводом в распределительной коробке с «нулем».
Вот в принципе и вся схема подключения выключателей из двух мест. На мой взгляд, ничего сложного в этом нет.
Схема подключения проходного выключателя с 3-х мест
Чтобы иметь возможность включать/выключать свет из трех мест, необходимо купить крестовой (крестовый) выключатель на два выключателя. Отличается от описанных ранее наличием двух входов и двух выходов. Он переключает пару контактов одновременно. Как все должно быть организовано, смотрите на картинке. Если вы поняли, что выше, это легко понять.

Электрическая схема управления светильником с трех точек
Как собрать такую композицию? Вот процедура:
- Ноль (и земля, если она есть) начинается сразу на лампе.
- Фаза подключается к входу одного из проходных выключателей (с тремя входами).
- Вход другого подается на свободный провод лампы.
- Два выхода трехконтактного устройства подключены к входу перекрестного переключателя (с четырьмя входами).
- Два вывода второго трехконтактного блока ведут на вторую пару контактов четырехвходового переключателя.
Та же схема, но с другого ракурса — где вы будете подключать провода к корпусам.

Куда подключать провода
А вот как разводить по комнате.

Проводка при управлении светильником с трех мест
Если вам нужна схема на четыре, пять и более точек, то она отличается только количеством кроссовых переключателей (на четыре входа/выхода). В любой схеме всегда есть два переключателя (с тремя входами/выходами) — в самом начале и в самом конце цепи. Все остальные элементы являются перекрестными единицами.

Схема подключения 5-точечных проходных выключателей
Уберите одно «перекрестие», получите контрольную карту из четырех точек. Добавьте еще — там уже будет расстановка на 6 КПП.
Чтобы окончательно все уложить в голове, посмотрите это видео.
Схема подключения проходного выключателя для управления из 4х мест
Для четырех контрольных точек необходимо использовать сложную схему подключения, показанную на рисунке ниже. В таком комплекте используются не только две втулки, но и пара переключателей крестового типа.

При рассмотрении возможности одновременного управления светильником из 4-х мест потребуются два блока кросс-коммутации.

Если в этом помещении несколько световых групп, следует отдать предпочтение двухкнопочным выключателям крестового типа. Установленные таким образом проходные системы значительно упрощают процедуру управления освещением.
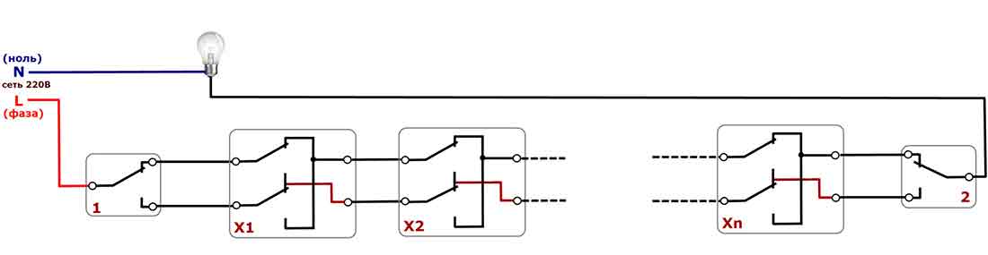
Схема подключения проходного выключателя для управления из 5 мест
Для управления освещением с пяти точек необходимо два сквозных и три перекрестных выключателя. Схема подключения будет выглядеть так:

Схема управления светом от пяти и более мест с помощью проходных и перекрестных выключателей (1 и 2 — сквозные, х1, х2..хн — перекрестные)



























